QC2-A
智能超速监控器

● 多功能人机界面,电机转速实时显示

● 数字电路捕捉电机瞬时速度,保护阈值数字化整定,超速保护快速、精准、稳定

● 报警和故障时自动保存保护时间,瞬时速度等信息,为故障分析提供依据

● 内置宽电压开关电源,适合各种电网

● 光电耦合取信号,与旋转轴无接触,使用寿命长

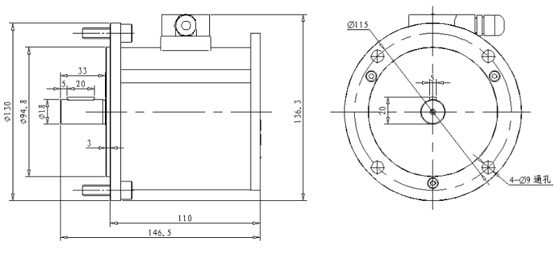
● 采用全铝合金外壳,密封设计,坚固耐用,可在多粉尘恶劣环境中可靠工作


电源电压:110VAC~260VAC,50/60HZ

转速测量范围:2rpm~4500rpm

转速精度:100rpm~3000rpm 时为 1%,其他转速时为 5%;转速显示分辨率:2.0~99.9 rpm 时为 0.01rpm,100~999 rpm 时为 0.1rpm,≥1000rpm 时 为 1rpm

保护响应角度:<60 度

触点动作时间:<20ms<>

触头容量: 220VAC/2A,阻性负载

温度:-25~70℃,相对湿度≤85%,海拔 2000 米以下

防护等级:QC2-I 为 IP00,QC2-A 为 IP54

耐振强度:5~13Hz,振幅 1.5mm,13~150Hz,加速度 1G